八角墊的RX型墊片的詳細介紹
RX型RTJ環墊圈制造符合API 6A和ASME B16.20標準,適合API 6 B和ASME / ANSI B16.5法蘭。
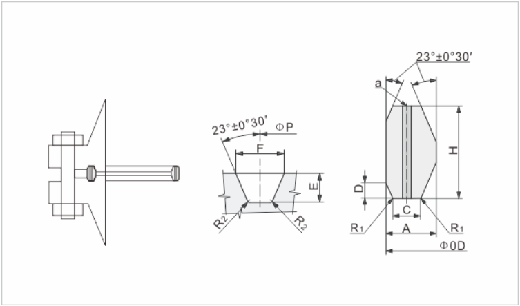
RX型是一個壓力能量適應的標準R型墊圈。RX型的設計以適應同一個標準的R槽設計,使得接合互換。修改后的設計使用壓力能量影響,提高了系統內部壓力,增加密封的效率。

壓力:2000 - 5000 PSI
公差:(mm)
A *(環的寬度)+ 0.20,-0.000
h(環的高度)+ 0.20,-0.000
外徑(外徑)+ 0.5,-0.000
23 *(角)1/2°
*寬度公差為0.008英寸。
“A”和高度“H”是允許的,只要寬度或高度的變化在整個圓周上不超過0.004英寸。
獲取報價